ventdepot.com

| Inicio   RegistrateProductos | Servicios | Materiales |Especiales | Precios   |  AutoCadOrden de Compra | Obras | Ofertas | Seminarios | La Empresa | Chat ICQo MessengerCorreo | Información Técnica | Sitios de Interés | Otros | Lo Nuevo | Intranet | Imprimir |

Equipos y Productos: TurboAxiales: ExploSafe.

Características Generales
ExploSafe
Nuestros TurboAxiales ExploSafe VentDepot, ha sido diseñado para mover volúmenes medios de aire en ambientes de riesgo explosivo.
Motor totalmente a prueba de explosión.
Las partes del ExploSafe: embocadura, hélice, y motor, forma un sistema totalmente antichispa.
Diseñado con normas internacionales y aprobado por la I.V.S. (Industrial Ventilation Society).

Aplicaciones
Extrae: Atmósferas que contengan uno o varios componentes explosivos.
Inyecta: Aire fresco.
Para uso en: Industria petroquímica, industria química, laboratorios, cuartos de pintura, bodegas de solventes, ambientes con gases explosivos, etc.

Garantía
1 (Un) año de Garantía certificado por escrito, sujeto a las claúsulas.

Características Técnicas Específicas

Clave
Aspas

Caudal a descarga libre

RPM

Amperaje
Potencia 

Nivel Sonoro

Peso y dimensiones con empaque de madera
mm pulg

CFM

m3/hr

220/440 V

HP
dB
Kg

cm

EAE-001
381 15

2971

5050

1725

1.0/0.5

1/4

60

23

55x55x20

EAE-002
482 19

5993

10188

1725

1.8/0.9

1/2

68

28

67x67x39

EAE-003
609 24

7535

12809

1725

3.0/1.5

3/4

74

33

86x86x40
| Orden de Compra | Solicitar Precios | Correo y/o Asesoría Técnica | AutoCad| Tiempos de Entrega | Garantía |

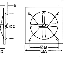
Dimensiones (mm)

Funicionamiento y Montaje
Flujo de aire de motor a hélice.
Perforar un agujero en la pared con las siguientes dimensiones (mm) y fijar.

Clave

A

B

C

D

E

Clave

F

EAE-001

497

415

400

80

65

EAE-001

460

EAE-002

627

555

500

275

72

EAE-002

560

EAE-003

808

640

625

255

84

EAE-003

680
VentDepot Team, monta, instala o da mantenimiento a cualquiera de nuestros equipos, de forma rápida, segura y conforme a las normas industriales.
Suministro y servicio a toda la República Mexicana.
Ver diferentes tipos de montajes, con diversos accesorios. Más info...

Presión Estática

mmcda

Clave

1

4

7

10

20

EAE-001

4250*

3600

3050

2550

---

EAE-002

9950

9500

9000

8000

6000

EAE-003

14000

12500

11700

10800

9000

*Caudales en m3/hr.

Accesorios

Clave
AxiGorro
TurboGabinete
10" Fondo
VariMarco
de 5 a 8"
AlumLux
Blanca
AlumLux
Cromo
CuadriGuarda
Fondo 2"
UltraBarra
AeroPersiana

EAE-001

EAG-011

EGF-026

EMC-038

ERA-025

ERA-066

EGC-009

ESG-010

EPS-004

EAE-002

EAG-013

EGF-028

EMC-039

ERA-027

ERA-068

EGC-011

ESG-012

EPS-005

EAE-003

EAG-017

EGF-032

EMC-042

ERA-031

ERA-072

EGC-015

ESG-016

EPS-006
Para mayor información vea la ficha técnica de cada Accesorio.
Ver diferentes tipos de montajes, con diversos accesorios. Más info...
Sugerimos ver nuestro criterio de selección de accesorios. Más info...
Material Eléctrico
Clave
Arrancador 220V a prueba de explosión
Arrancador 220V de uso general
Elementos Térmicos 220V
Arrancador 440V
a prueba de explosión
Arrancador 440V de uso general
Elementos Térmicos
440V

EAE-001

MEA-008 MEA-006
MHH-011x3*
MEA-008 MEA-006
MHH-005x3*
EAE-002 MEA-008 MEA-006
MHH-016x3
MEA-008 MEA-006
MHH-010x3
EAE-003 MEA-008 MEA-006
MHH-020x3
MEA-008 MEA-006
MHH-015x3
El arrancador sirve para brindar una mayor protección a su equipo. Es importante conectar el equipo a un arrancador adecuado y no a interruptores.
Recuerde que el Arrancador tiene que ir acompañado del Elemento Térmico.
*Este número indica la cantidad de Elementos Térmicos que se requieren para el arrancador, el cual es igual al número de polos del equipo. Ejemplo: x1 esto indica que se requiere un Elemento Térmico, x2 esto indica que se requieren dos Elementos Térmicos, etc.

| Inicio   RegistrateProductos | Servicios | Materiales |Especiales | Precios   |  AutoCadOrden de Compra | Obras | Ofertas | Seminarios | La Empresa | Chat ICQo MessengerCorreo | Información Técnica | Sitios de Interés | Otros | Lo Nuevo | Intranet | Imprimir |
CiberStats. Pincha para estadisticas.Copyright © 1996-2001, Todo en Ventilación S.A. de C.V. tiene todos los derechos reservados.
VentDepot México: (52) (55) 5822-1516. TelFax: (52) (55) 5825-0752. mexico@ventdepot.com
VentDepot Perú: (051) 445-5693. TelFax: (051) 436-7042. peru@ventdepot.com
VentDepot USA: 4336 Gessener, Houston, Texas, USA. 77041, P.O. Box. usa@ventdepot.com