ventdepot.com

| Inicio   RegistrateProductos | Servicios | Materiales |Especiales | Precios   |  AutoCadOrden de Compra | Obras | Ofertas | Seminarios | La Empresa | Chat ICQo MessengerCorreo | Información Técnica | Sitios de Interés | Otros | Lo Nuevo | Intranet | Imprimir |

Equipos y Productos: TurboAxiales: AxiTec.
Características Generales

Nuestros TurboAxiales AxiTec VentDepot, ha sido diseñado en tres diferentes tamaños para mover volúmenes altos de aire y enfriar máquinas o procesos industriales.
Construcción robusta y rígida.Cuenta con rejillas de protección delantera y trasera con normas OSHA, para alta de seguridad.
Motor cerrado logrando mayor protección a la lluvia y polvo, acabado general en esmalte acrílico horneado. Operación en condiciones extremas desde -10°C hasta + 110°C.
Hélice fabricada en 100% Aluminio, aerodinamicamente diseñada, con perfil tipo ala o gaviota de alineación y balanceo preciso.
Diseñado con normas internacionales y aprobado por la I.V.S. (Industrial Ventilation Society).
Aplicaciones
Para uso en: Ventilación de procesos industriales, torres de enfriamiento, refrigeración de máquinas, transformadores, etc.
Garantía

1 (Un) año de Garantía certificado por escrito, sujeto a las claúsulas.

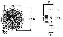
Dimensiones (mm)
Funcionamiento y Montaje

Flujo de aire de motor a hélice.
Perforar un agujero en la pared con las siguientes dimensiones (mm) o fijar directamente al equipo a enfriar.

Clave

G

ATC-(001 al 003)

430

ATC-(004 al 006)

630

ATC-(007 al 010)

730

Clave

A

B

C

D

E

F
VentDepot Team, monta, instala o da mantenimiento a cualquiera de nuestros equipos, de forma rápida, segura y conforme a las normas industriales. AxiTec

ATC-(001 al 003)

400

366

455

1/2"

150

325

ATC-(004 al 006)

600

515

650

1/2"

150

325
Suministro y servicio a toda la República Mexicana.

ATC-(007 al 010)

700

557

725

1/2"

150

325
Ver diferentes tipos de montajes, con diversos accesorios. Más info...

Características Generales Específicas

Clave

Aspas

Caudal a descarga libre
Aspas

RPM

Intensidad Admisible

Potencia

Nivel Sonoro

Peso y Dimensiones con Empaque de Madera

mm

pulg

CFM

m3/hr
No.
220 / 440 V
HP
dB
Kg

cm

ATC-001

400

15 3/4

2290

3900
4

830

1.0 / 0.5

1/8

53

28

45x45x36

ATC-002

400

15 3/4

3000

5100
4

1140

1.2 / 0.6

1/6

60

28

45x45x36

ATC-003

400

15 3/4

4590

7800
4

1700

1.6 / 0.8

1/4

70

28

45x45x36

ATC-004

600

23 6/10

4000

6800
4

830

1.0 / 0.5

1/8

52

37

65x65x36

ATC-005

600

23 6/10

5294

9000
4

1140

1.2 / 0.6

1/6

60

37

65x65x36

ATC-006

600

23 6/10

7880

13400
4

1700

2.0 / 1.0

1/2

72

37

65x65x36

ATC-007

700

27 1/2

4120

7000
2

830

1.0 / 0.5

1/8

48

45

75x75x36

ATC-008

700

27 1/2

5650

9600
2

1140

1.2 / 0.6

1/6

57

45

75x75x36

ATC-009

700

27 1/2

8590

13100

4

1700

1.5 / 0.7

1/3

64

45

75x75x36

ATC-010

700

27 1/2

8590

14600
2

1700

2.0 / 1.0

1/2

71

45

75x75x36

| Orden de Compra | Solicitar Precios | Correo y/o Asesoría Técnica | AutoCad| Tiempos de Entrega | Garantía |
Accesorios
Clave
Goma antivibración
Para mayor información vea la ficha técnica de cada Accesorio.
Ver diferentes tipos de montajes, con diversos accesorios. Más info...
Sugerimos ver nuestro criterio de selección de accesorios. Más info...
ATC-(001 al 010)
MAT-027
Material Eléctrico
Clave
Arrancador 220V
Elementos Térmicos 220V
Arrancador 440V
Elementos Térmicos 440V

ATC-001
MEA-006
MHH-011x3*
MEA-006
MHH-005x3*

ATC-002
MEA-006
MHH-013x3
MEA-006
MHH-006x3

ATC-003
MEA-006
MHH-015x3
MEA-006
MHH-009x3

ATC-004
MEA-006
MHH-011x3
MEA-006
MHH-005x3

ATC-005
MEA-006
MHH-013x3
MEA-006
MHH-007x3

ATC-006
MEA-006
MHH-017x3
MEA-006
MHH-011x3

ATC-007
MEA-006
MHH-011x3
MEA-006
MHH-005x3

ATC-008
MEA-006
MHH-013x3
MEA-006
MHH-007x3

ATC-009
MEA-006
MHH-015x3
MEA-006
MHH-008x3

ATC-010
MEA-006
MHH-017x3
MEA-006
MHH-011x3
El arrancador sirve para brindar una mayor protección a su equipo. Es importante conectar el equipo a un arrancador adecuado y no a interruptores.
Recuerde que el Arrancador tiene que ir acompañado del Elemento Térmico.
*Este número indica la cantidad de Elementos Térmicos que se requieren para el arrancador, el cual es igual al número de polos del equipo. Ejemplo: x1 esto indica que se requiere un Elemento Térmico, x2 esto indica que se requieren dos Elementos Térmicos, etc.

| Inicio   RegistrateProductos | Servicios | Materiales |Especiales | Precios   |  AutoCadOrden de Compra | Obras | Ofertas | Seminarios | La Empresa | Chat ICQo MessengerCorreo | Información Técnica | Sitios de Interés | Otros | Lo Nuevo | Intranet | Imprimir |
CiberStats. Pincha para estadisticas.Copyright © 1996-2001, Todo en Ventilación S.A. de C.V. tiene todos los derechos reservados.
VentDepot México: (52) (55) 5822-1516. TelFax: (52) (55) 5825-0752. mexico@ventdepot.com
VentDepot Perú: (051) 445-5693. TelFax: (051) 436-7042. peru@ventdepot.com
VentDepot USA: 4336 Gessener, Houston, Texas, USA. 77041, P.O. Box. usa@ventdepot.com