ventdepot.com

| Inicio   RegistrateProductos | Servicios | Materiales |Especiales | Precios   |  AutoCadOrden de Compra | Obras | Ofertas | Seminarios | La Empresa | Chat ICQo MessengerCorreo | Información Técnica | Sitios de Interés | Otros | Lo Nuevo | Intranet | Imprimir |

Equipos y Productos: TurboAxiales: AxiAire.
Características Generales

Nuestros TurboAxial AxiAire VentDepot, ha sido diseñado para mover volúmenes pequeños de aire.
Cuenta con una excelente construcción ligera y robusta.
Su guarda de alambre pulido le da mayor protección.
Diseñado con nomas internacionales y aprobado por la I.V.S. (Industrial Ventilation Society).
Aplicaciones
Extrae: Calor, vapor, humo, olores, solventes y partículas de polvo.
Inyecta: Aire fresco.
Para uso en: Cuartos pequeños, talleres, cuartos de reunión, comercios, baños, etc.
Garantía
1 (Un) año de Garantía certificado por escrito en el motor, sujeto a las claúsulas.

Características Técnicas Específicas

Clave

Caudal a descarga libre
Aspas

RPM
Amperaje 

Potencia 
Nivel Sonoro 

Peso y Dimensión con Empaque de Cartón

CFM

m3/hr

pulg

127 V
HP
dB
Kg cm

AAI-001

388

660

8

1660

0.64

1/70

52

1.7

30x30x16

AAI-002

511

870

10

1660

0.70

1/40

55

2.5

35x35x20

AAI-003

1167

1985

14

1660

1.50

1/20

60

4.4

50x50x20
| Orden de Compra | Solicitar Precios | Correo y/o Asesoría Técnica | AutoCad| Tiempos de Entrega | Garantía |

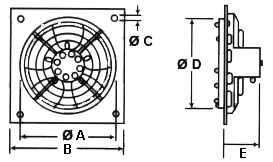
Dimensiones (mm)

Funcionamiento y Montaje

Clave

A

B

C

D

E
Flujo de aire de motor a hélice.
Perforar un agujero en la pared con las siguientes dimensiones (mm) y fijar.

AAI-001

227

266

9

207

110

Clave

G

AAI-002

273

333

9

257

120

AAI-001

230

AAI-003

390

465

10

364

115

AAI-002

290

AAI-003

410

Presión Estática

mmcda
VentDepot Team, monta, instala o da mantenimiento a cualquiera de nuestros equipos, de forma rápida, segura y conforme a las normas industriales.

Clave

1

2

3

4

5

6

AAI-001

410*

240

---

---

---

---
Suministro y servicio a toda la República Mexicana.

AAI-002

430

650

580

---

---

---

AAI-003

1700

1600

1500

1380

1220

1100

Ver diferentes tipos de montajes, con diversos accesorios. Más info...

*Caudales en m3/hr.

Accesorios

Clave
AxiGorro
VariMarco
de 5 a 8"
AlumLux
Blanca
AlumLux
Cromo
CuadriGuarda
UltraBarra
AeroPersiana

AAI-001

EAG-006

EMC-034

ERA-020

ERA-061

EGC-004

ESG-005

EPS-001

AAI-002

EAG-007

EMC-035

ERA-021

ERA-062

EGC-005

ESG-006

EPS-002

AAI-003

EAG-010

EMC-037

ERA-024

ERA-065

EGC-008

ESG-009

EPS-003
Para mayor información vea la ficha técnica de cada Accesorio.
Ver diferentes tipos de montajes, con diversos accesorios. Más info...
Sugerimos ver nuestro criterio de selección de accesorios. Más info...

Material Eléctrico

Clave
Arrancador 127V
 
Elementos Térmicos 127 V

AAI-001

MEA-001 
MRR-006 x1*

AAI-002
MEA-001 
MRR-007 x1

AAI-003
MEA-001 
MRR-016 x1
El arrancador sirve para brindar una mayor protección a su equipo. Es importante conectar el equipo a un arrancador adecuado y no a interruptores.
Recuerde que el Arrancador tiene que ir acompañado del Elemento Térmico.
*Este número indica la cantidad de Elementos Térmicos que se requieren para el arrancador, el cual es igual al número de polos del equipo. Ejemplo: x1 esto indica que se requiere un Elemento Térmico, x2 esto indica que se requieren dos Elementos Térmicos, etc.

| Inicio   RegistrateProductos | Servicios | Materiales |Especiales | Precios   |  AutoCadOrden de Compra | Obras | Ofertas | Seminarios | La Empresa | Chat ICQo MessengerCorreo | Información Técnica | Sitios de Interés | Otros | Lo Nuevo | Intranet | Imprimir |
CiberStats. Pincha para estadisticas.Copyright © 1996-2001, Todo en Ventilación S.A. de C.V. tiene todos los derechos reservados.
VentDepot México: (52) (55) 5822-1516. TelFax: (52) (55) 5825-0752. mexico@ventdepot.com
VentDepot Perú: (051) 445-5693. TelFax: (051) 436-7042. peru@ventdepot.com
VentDepot USA: 4336 Gessener, Houston, Texas, USA. 77041, P.O. Box. usa@ventdepot.com